1.表面無毛刺,材料和表面處理需環(huán)保
2.打開角度:前仰角度3度,后仰角度7度,
3.雙邊扭力要求:60-65(Kgf-cm)
4.壽命測試:打開5000次,每分鐘3-4次(一個來回為一次)衰減率 不大于25%;
5.圖示角度為0°。">

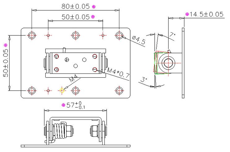
技術要求:
1.表面無毛刺,材料和表面處理需環(huán)保
2.打開角度:前仰角度3度,后仰角度7度,
3.雙邊扭力要求:60-65(Kgf-cm)
4.壽命測試:打開5000次,每分鐘3-4次(一個來回為一次)衰減率 不大于25%;
5.圖示角度為0°。






聯系電話